2006年 No.39 火山の概況 (平成18年9月22日 〜 平成18年9月28日)
【噴火が観測された火山】
【活動が活発もしくはやや活発な状態である火山】
【その他の記事を掲載した火山】

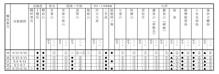
図1 活動解説を掲載した各火山の今期間の活動状況
注1 本資料で示すレベルは、火山活動度レベルを導入した火山におけるレベルである。
注2 記号の意味
▲:噴火が観測された火山
●:活動が活発もしくはやや活発な状態である火山
◇:静穏な状態であるが観測データに変化のあった火山、もしくはその他の記事を掲載した火山
①②等の丸付き数字:火山活動度レベル
注3 記事は、▲、●(注2参照)に該当する火山について掲載する。
その他の火山については、特記事項のある場合に掲載する。
【各火山の活動解説】
● 十勝岳 [やや活発な状況]
62-2火口では依然として高温の状態が続いていると推定される。同火口からの噴煙活動はやや活発な状態が続いており、噴煙高度は火口縁上100〜200mで推移した。
地震活動は低調な状態が続いている。GPSによる地殻変動観測では特段の変化はなかった。
● 樽前山 [やや活発な状況]
A火口及びB噴気孔群では依然として高温の状態が続いていると推定される。
噴煙活動・地震活動は低調な状態が続いている。傾斜計及びGPSによる地殻変動観測では特段の変化はなかった。
◇ 浅間山 [静穏な状況 (レベル1)]←22日にやや活発な状況(レベル2)から引き下げ
2005年6月以降もやや活発な状況で推移してきたが、最近は火山性地震や火山性微動の回数、火山ガス放出量が低下していることから、火山活動は静穏になったと判断し、22日に火山活動度レベルを2(やや活発な状況)から1(静穏な状況)に引き下げた。(前号でも速報として掲載した)
◇ 箱根山 [静穏な状況]
27日夜から28日午前中にかけて、駒ケ岳付近の浅い所を震源とする地震がややまとまって発生した。最大の地震は28日6時28分に発生したM(マグニチュード)2.2(暫定値)であった。その後、地震活動はほぼ落ち着いた状態に戻っている。
気象庁の体積歪(ひずみ)計1)や神奈川県温泉地学研究所の傾斜計2)等による地殻変動観測では特段の変化はなかった。また、28日に同研究所が行った調査によると、大涌谷の噴気活動にも特段の変化はなかった。
箱根山ではこれまでにもしばしば地震がややまとまって発生することがあり、最近では2005年8月14日にも駒ヶ岳付近を震源とする同様な地震活動があった。
1)センサーで周囲の岩盤から受ける力による体積の変化をとらえ、岩石の伸びや縮みを観測する機器。
2)膨張や収縮による地面の傾きを観測する機器。
● 三宅島 [やや活発な状況]
噴煙活動は活発な状態が続いており、噴煙高度は火口縁上200〜300mで推移した。
28日に行った火山ガス観測では、二酸化硫黄の放出量は1日あたり2,100〜3,600トン(前回9月11日1,800〜3,700トン/日)と、依然として多量の火山ガスの放出が続いている。
火山性地震の回数は1日あたり32〜75回とやや多い状態で経過した。火山性微動は観測されなかった。GPSによる地殻変動観測では特段の変化はなかった。
● 福徳岡ノ場 [やや活発な状況]
28日に海上自衛隊が上空から行った観測によると、福徳岡ノ場から南方向へ延びる幅役100m、長さ200mの淡い緑色の変色水が確認された。なお、付近に浮遊物等は認められなかった。
▲ 桜島 [比較的静穏な噴火活動(レベル2)]
南岳山頂火口ではごく小規模な噴火が時々発生した。
昭和火口では噴火は発生しなかったが、今期間も白色の噴煙が観測されており、噴煙高度は火口縁上概ね50mであった。
火山性地震及び火山性微動はやや多い状態が続いている。GPSなどによる地殻変動観測では特段の変化はなかった。
● 薩摩硫黄島 [やや活発な状況 (レベル2)]
硫黄岳山頂火口の噴煙活動はやや活発な状態が続いており、噴煙高度は最高で火口縁上600mであった。
火山性地震はやや多い状態が続いている。22日にごく小規模な火山性微動が1回観測された。
● 口永良部島 [やや活発な状況 (レベル2)]
2005年7月以降、火山性地震は消長を繰り返しながらやや多い状態が続いている。
今期間、火山性地震の回数は1〜7回と少なく、火山性微動は観測されなかった。監視カメラ(新岳の北西約4kmに設置)による観測では噴気等は認められなかった。
▲ 諏訪之瀬島 [活発な状況 (レベル3)]
今期間、引き続き小規模な噴火が時々発生した。十島村役場諏訪之瀬島出張所によると、22〜28日に火山灰を含む噴煙が確認され、噴煙高度は火口縁上600〜1,000mであった。22日と26日には集落(御岳の南南西約4km)で降灰が観測された。
噴火活動に伴い、22日、25日および28日には時々火山性連続微動が発生し、22〜23日、25日には火山性地震がやや多い状態となった。
表1 最近1か月に記事を掲載した火山及び各火山のレベル

| 火 山 名 | 情報の種類及び号数 | 発表日時 | 概 要 |
|---|---|---|---|
| 浅 間 山 | 火山観測情報第38号 | 22日14:00 | 火山性地震や火山性微動の回数、火山ガス放出量が低下していることから、火山活動は静穏になったと判断し、火山活動度レベルを2から1に引き下げた |
| 三 宅 島 | 火山観測情報 第265〜271号 (1日1回発表) |
22日〜28日 16:30 |
前日16時〜当日16時の活動状況及び上空の風の予想。28日に実施した火山ガス観測の結果。 |
